Purchasing Guide for Hararat Gostar Steam Boiler Model HS5
- All boilers of Harart Gostar Company are produced according to the design of JOHN THOMPSON in England and with the approval of the construction plan from the Austrian TUV Institute, 3-pass and wet back.
- In addition to the working pressure provided 10 bar in the above technical specifications table, the steel steam boilers of Herat Gostar Company can also be provided in other work pressures based on the customer's needs and orders.
- Standard steel steam boilers, in addition to having to be made according to an approved drawing, are also required for hulls, furnaces, and nets made of alloy steels for the manufacture of heat and pressure tanks in accordance with DIN 17 MN4 or ASME A516 / G70 and for Material of pipes or tubes Use seamless fire pipes DIN ST35.8.

- The quality and description of the accessories of a steel boiler are also important in the performance and the cost of the steam boiler, which is announced at the time of pre-invoice, description of equipment with more technical specifications, and delivery time of the boiler to the buyer.
- Hararat Gostar Manufacturing and Industrial Company, with more than 30 years of experience in producing various types of hot water and steam boilers, is the first and only company producing hot water and steam boilers in the country with fully specialized management and taken from the technical knowledge of boiler industry in master's degree att Arak Machine-Building Company.
- in a Hararat Gostar steam boiler, the head hole, hand hole, and manhole valves with suitable dimensions have been incorporated at locations for inspection, periodical services, and even probable replacement of boiler tubes (after a long term of operation)
- Before the final construction or purchase of any type of steel boiler, hot water boilers pay more attention to the condition and pressure of the boiler, according to the integrated order of steel boilers and their weight, be careful about how to transfer the boiler to the installation place.
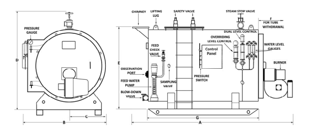
- The provided dimensions are only for the steam boiler and considering the installation of Assurance equipment above the boiler and control panel, feeding pump and Control tubes next to the boiler and the burner along with the boiler will be added to the provided dimensions.
- When inquiring about the price of the steam boiler, it is necessary to announce the type of fuel consumed and, if desired, the brand of the burner.
- When buying the burner required for the boiler, it is necessary to choose the burner according to the type of fuel in the project and consider about 20% higher capacity.

Features of Hrarat Gostar Steam Boiler Model HS5
-
- Tolerance of higher working pressures and no need for boiler sealing
- The capability of a higher rate of production
- More suitable heat transfer and high thermal efficiency in standard 3-pass boilers, especially in all kinds of wetback boilers

Warranty of Hararat Gostar steel steam Boiler Model HS5
Hararat Gostar Manufacturing and Industrial Company offer all its steel hot water and steam boilers with 2 years warranty and 10 years of technical support services. In the reference site and Damatajhiz, technical information and the most appropriate price of the steam boiler with the main guarantee have been provided for you dear ones to enjoy a good sense of optimal and smart purchase. you can order online a steam boiler from Damatajhiz website.