✅ Only for Wholesale
Madas gas gear balancer size 2" RG/2MC model is a device that provides the required pressure at the bottom of the piping circuit (it means a set of equipment installed before the main regulator).
The balancer is responsible for providing the input pressure value of the main regulator whose task is to adjust the pressure of the piping circuit.


Madas RG/2MC model balancers should be placed in the piping circuit as follows:

1 - Manual valve reset regulator
2 - On/Off valve to turn SM off and on
3 - FM gas filter
4 - Shut-off valve MVB/1 Max
5 - RG/2MC balancer regulator
6 - Safety valve MVS/1
7 - Button and pressure gauge
8 - outlet valve
9 - Ball valve
10 - Gas detector
11 - SM remote valve on and off
12 - Seismic base and extension connection
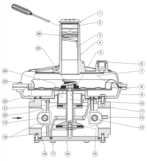
1 - Close the lid
2 - Inlet pressure adjustment screw
3 - Calibration spring (adjustment)
4 - Upper cover
5 - Ribbed washer
6 - Dust cap
7 - Immunity membrane (membranes).
8 - Flange
9 - Working membrane or shell (membranes).
10 - central pin
11 - Body
12 - Sensor tube
13 - Pressure test button
14 - Teflon ring
15 - Sealing washer
16 - lower cover
17 - lower cover screw
18 - Sealing o-ring of the lower cover
19 - Carrier
20 - Replaceable membrane (membranes).
21 - Filter element
22 - disk above the membrane
23 - Upper cover screws
24 - lower disk of the membrane
25 - Membrane holder nut
26 - spring washer

A: Equivalent to 160 mm
B: Equivalent to 242 mm
C: Equivalent to 225 mm
D: Equivalent to 48.5 mm
E: 193.5 mm . equivalent

Damatajhiz company confirms the physical health and authenticity of the above gas balancer.
In the reference site and shop of Damatajhiz, it is possible to buy Madas gas balancer (MADAS), with guaranteed price and original warranty, for you, dear customers, in order to create a good feeling of optimal and smart pressure controller shopping.
Head Office: No. 463,Talebian Alley,Taleghani St.Tehran,Iran


DamaTajhiz has provided the opportunity to sell and ship specialized HVAC equipment for applicants in the following countries as the first and the most popular online store for selling HVAC equipment (Heating , Ventilation , Cooling , Air conditioning) in the Middle East : Afghanistan – Tajikistan - Uzbekistan – Turkmenistan – Azerbaijan – Armenia – Georgia – Turkey – Iraq – Syria – Jordan – Kuwait – Emirates – Qatar – Oman.