✅ Only for Wholesale
Dungs company is one of the successful manufacturers of safety control equipment, including pressure switches, which, relying on modern European technical knowledge, experienced specialists, and advanced machines and equipment, produce quality products in line with the highest quality assurance standards in Europe.
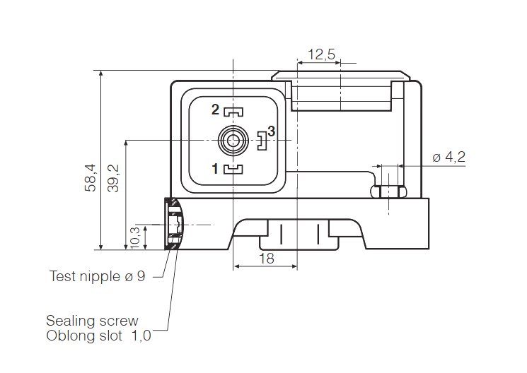
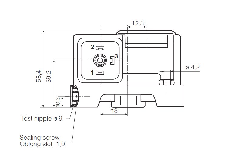
Dungs GW A6 series gas pressure switch is usually used in gas pressure control systems, and its task is to increase the reliability factor in system performance.
Pressure switches are a type of switch. When the input pressure reaches the specified level, they activate the electrical contact and cut off the switch by sending an electrical signal. The pressure switches may be designed to cut or connect the current when the pressure increases or decreases. Pressure switches are usually used in industries that require automatic adjustment or control of pressurized fluids.



Damatajhiz confirms the originality and physical health of DUNGS gas pressure switch model GW A6.
In the reference site and store of Damatajhiz, all kinds of pressure switches have been presented to you, dear customers, in order to create a good feeling of optimal and smart shopping.
Head Office: No. 463,Talebian Alley,Taleghani St.Tehran,Iran


DamaTajhiz has provided the opportunity to sell and ship specialized HVAC equipment for applicants in the following countries as the first and the most popular online store for selling HVAC equipment (Heating , Ventilation , Cooling , Air conditioning) in the Middle East : Afghanistan – Tajikistan - Uzbekistan – Turkmenistan – Azerbaijan – Armenia – Georgia – Turkey – Iraq – Syria – Jordan – Kuwait – Emirates – Qatar – Oman.