✅ Only for Wholesale
SIEMENS Photocell Model QRA53-G27 is made by Siemens, which is one of the successful manufacturers of monitoring and automation control equipment, including photocells or electronic eyes, and relies on modern European technical knowledge, experienced specialists, as well as advanced machinery and equipment products. Produces with quality and in line with the highest quality assurance standards in Europe.
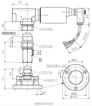
The SIEMENS Photocell Model QRA53-G27 photocell is an electrically conductive silicon-like semiconductor that converts light into photocells as electrical energy. Photocells or electronic eyes are widely used in industry so that from solar panels to light-sensitive eyes can be placed in the family of photocells. In industry, a type of photocell is used in the burner that can detect the on and off the flame of the burner and commands the relay to cut off and connect the flow of fuel or spark.

In the SIEMENS Photocell Model QRA53-G27 photocell with this type of flame monitoring, the ultraviolet rays emitted by gas or oil flames are used to generate the flame signal. The radiation detector consists of an ultraviolet-sensitive cell with two electrodes, which, as a result of lighting the burner with radiation in the range of 190 to 270 nm, a current is launched in the burner detector circuit. UV cells do not react to daylight or light emitted from the boiler. This electric eye or photocell is installed inside a chamber in the body of the burner so that it can see inside the flame. In the construction of the photocell, semiconductors such as germanium are used, which are excited by the light of the electrons of the external circuit and according to the conductivity, the electric current passes. A photocell consists of a small ceramic plate on which a light-sensitive material of cadmium sulfide is coated and connected to a relay. When light is exposed to cadmium sulfide, its electrical resistance is greatly reduced. Therefore, when the torch is on, the photocell receives light, and the resistance of the light-sensitive substance decreases, resulting in a weak current in the relay circuit. Is added and no current reaches the relay.

The company approves the originality and physical health of the Siemens Relay for SIEMENS Photocell Model QRA53-E27.
In the reference site and DamaTajhiz z store, various types of Siemens burner relays have been provided for you, dear customers, in order to create a good feeling of optimal and smart purchase of Siemens Photocell.
Head Office: No. 463,Talebian Alley,Taleghani St.Tehran,Iran


DamaTajhiz has provided the opportunity to sell and ship specialized HVAC equipment for applicants in the following countries as the first and the most popular online store for selling HVAC equipment (Heating , Ventilation , Cooling , Air conditioning) in the Middle East : Afghanistan – Tajikistan - Uzbekistan – Turkmenistan – Azerbaijan – Armenia – Georgia – Turkey – Iraq – Syria – Jordan – Kuwait – Emirates – Qatar – Oman.