ارسال فوری در تهران
ارسال به شهرستان 2 روز کاری
شرکت دانگز یکی از تولید کنندگان موفق تجهیزات کنترل ایمنی از جمله پرشرسوئیچ بوده که با تکیه بر دانش فنی روز اروپا، متخصصین کارآزموده و همچنین ماشین آلات و تجهیزات پیشرفته محصولات با کیفیت و همگام با بالاترین استانداردهای تضمین کیفیت در اروپا را تولید می نماید.
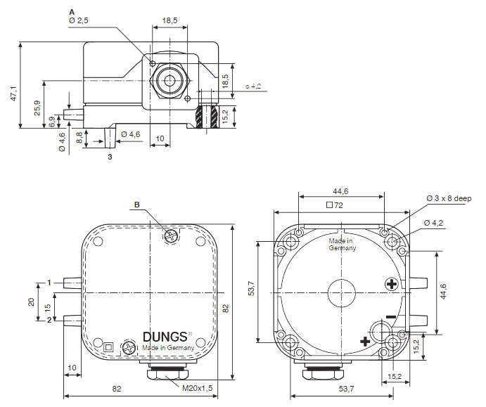
پرشر سوئیچ هوا دانگز سری LGW A2 معمولا در سیستم های کنترل فشار هوا استفاده می شود و وظیفه آن بالا بردن ضریب اطمینان در عملکرد سیستم است.
پرشر سوئیچ ها نوعی سوئیچ هستند و در زمانی که فشار ورودی به میزان تعیین شده برسد، کنتاکت الکتریکی را فعال کرده و با ارسال سیگنال الکتریکی سوئیچ را قطع میکنند. ممکن است پرشر سوئیچ ها طوری طراحی شده باشند که در صورت افزایش یا افت فشار جریان را قطع و یا وصل کنند. پرشر سوئیچ ها معمولا در صنایعی با نیاز به تنظیم اتوماتیک و یا کنترل عمل سیالات تحت فشاراستفاده می شوند.


شرکت دماتجهیز، اصالت و سلامت فیزیکی پرشر سوئیچ هوا دانگز مدل LGW A2 را تأیید می نماید.
در سایت مرجع و تخصصی دماتجهیز، انواع پرشر سوئیچ دانگز، جهت ایجاد حس خوب خرید بهینه و هوشمند، برای شما مشتریان عزیز ارائه گردیده است.
| نوع |
پرشر سوئیچ هوا DUNGS |
||
|
سری |
LGW A2 |
||
| حداقل/حداکثر دمای محیط - C° | (70+)~(15-) درجه سانتیگراد | ||
| حداقل/حداکثر دمای متوسط - C° | (70+)~(15-) درجه سانتیگراد | ||
| حداقل/حداکثر دمای قطعه - C° | (85+)~(30-) درجه سانتیگراد | ||
|
حداکثر فشار کاری - mbar |
LGW3 A2 | 500 میلی بار | |
| LGW10 A2 | |||
| سایز - Inch | 1/4 اینج | ||
|
بازه فشار قابل تنظیم - mbar |
LGW3 A2 | 3~0.4 میلی بار | |
| LGW10 A2 | 10~1 میلی بار | ||
| برند | دانگز | ||
| کشور سازنده | آلمان | ||
دفتر مرکزی: تهران - خیابان طالقانی - بین مفتح و بهار - نبش طالبیان - ساختمان ۴۶۳
کارخانه: جاده قدیم ساوه - بعد از سه راهی آدران - شهرک صنعتی قلعه میر - خیابان رینگ کار


دمـاتجهیــز از سال 1382 فعالیت خود را با آینده نگری و خلاقیت بعنوان اولین فروشگاه اینترنتی کشور، در قالب مجموعه تخصصی و مهندسی فروش تجهیزات سرمایش، گرمایش و تهویه مطبوع (HVAC) برای اولین بار در خاورمیانه آغاز نمود. زمانیکه هنوز بسیاری از فروشگاههای اینترنتی، تجارت الکترونیک و حتی برگزارکنندگان محترم امروزی همایشهای فروش اینترنتی در حال و هوای دیگری بودند. شرکت مهندسی، تولیدی و بازرگانی دمـاتجهیــز با نگاهی به آینده، مسیر توسعه برند خود را ابتدا به عنوان اولین استارتاپ عرضه و فروش تجهیزات تأسیسات توسط آقای مهندس مجید زواریان با راهاندازی جامعترین وب سایت فروش تجهیزات تهویه مطبوع (HVAC)، تجهیزات گرمایشی و موتورخانه، تجهیزات استخر، سونا و جکوزی، تجهیزات کنترل و ایمنی در 6 بخش و 80 گروه ترسیم نمود. سپس با تولید بسیاری از تجهیزات مهم و کاربردی تهویه مطبوع و حتی گرمایشی مانند انواع فن کویل، داکت اسپلیت، برج خنک کننده، مینی چیلر، چیلر هواخنک و آبی، هواساز، ایرواشر، یونیت هیتر و... با قیمت و گارانتی مناسب، مسیر ارائه این محصولات به پروژههای مختلف را با برند دمـاتجهیــز بهبود بخشید (به بخش محصولات دمـاتجهیــز مراجعه فرمایید).