تحویل تا 10 روز کاری
دیگ فولادی آبگرم کالور C700 دارای ظرفیت 700,000 KCal/Hr می باشد. این محصول بسیار قدرتمند بوده و عملکرد مطمئن و مطلوبی دارند و از مواد اولیه با کیفیت داخلی و خارجی، با بالاترین سطوح کیفی تولید شده اند.
استفاده از استانداردهای سختگیرانه و دوستدار محیط زیست جهانی، دیگ های فولادی آبگرم کالور را به محصولاتی با کیفیت تبدیل نموده است.
دیگ آبگرم کالور طبق طرح کپی برداری شده شرکت ایتالیایی Permonti در 12 مدل مختلف با ظرفیت حرارتی 45000 الی 800000 کیلو کالری بر ساعت، دارای فشار کاری بالا و تکنولوژی شعله برگشتی تولید و عرضه می شود.
حداکثر دمای کارکرد دیگ آبگرم کالور 90 درجه سانتی گراد بوده و برای مقاصد گرمایشی انواع پروژه های مختلف مسکونی ، صنعتی ، تجاری ، اداری و بیمارستانی ایده آل می باشند. دیگ های فولادی آبگرم کالور از طراحی دقیق و حساب شده بهره می برند و اجزای این دیگ ها دارای بالاترین تناسب بین حجم گاز محترقه و سطوح تبادل گرما می باشند.
درب جلوی این دیگ های آبگرم قابلیت تحمل دمای 1200 درجه سانتیگراد را داشته و بصورت لولایی چپگرد یا راستگرد طراحی شده است (این ویژگی هیچ گونه محدودیتی برای مصرف کننده و همچنین فضای نصب در موتورخانه ایجاد نمی کند.)
دیگ های کالور دارای پنل کنترلی تکفاز هستند که اقلام کنترلی و نمایشگرها و تمهیدات کنترل دمایی آن ایتالیایی می باشد، با داشتن این کنترل پنل، دیگر نیازی به نصب تابلو برق موتورخانه نمی باشد.
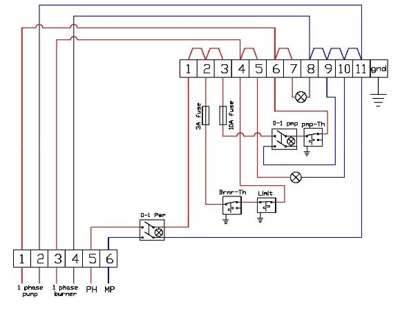
پنل کنترلی دیگ آبگرم کالور دارای اجزای زیر می باشند :
نقشه مدارات الکتریکی پنل کنترلی دیگ کالور :
| مدل | C700 | |
|
فشار کار (bar) |
6 | |
|
حد اکثر قدرت گرمایش |
kcal/hr |
700.000 |
| KW | 1120 | |
| ابعاد (mm) | طول دیگ بدون مشعل | 2420 |
| عرض دیگ | 1385 | |
|
ارتفاع دیگ با پانل کنترلی |
1605 | |
|
وزن (kg) |
1590 | |
| سایز ورودی و خروجی اصلی دیگ(inch) | DN 100 | |
| قطر دهانه ورودی مشعلگیر(mm) | 173 | |
| قطر دهانه خروجی دودکش (mm) | 500 | |
| سایز تخلیه دیگ (inch) | 1 | |
| ارتفاع مرکز مشعلگیر (mm) | 555 | |
| ارتفاع مرکز دودوکش (mm) | 935 | |
| بازدهی حرارت (%) | 88 | |
|
نوع سوخت مصرفی |
گاز- گازوئیل-مازوت | |
| کشور سازنده | ایران | |
دفتر مرکزی: تهران - خیابان طالقانی - بین مفتح و بهار - نبش طالبیان - ساختمان ۴۶۳
کارخانه: جاده قدیم ساوه - بعد از سه راهی آدران - شهرک صنعتی قلعه میر - خیابان رینگ کار


دمـاتجهیــز از سال 1382 فعالیت خود را با آینده نگری و خلاقیت بعنوان اولین فروشگاه اینترنتی کشور، در قالب مجموعه تخصصی و مهندسی فروش تجهیزات سرمایش، گرمایش و تهویه مطبوع (HVAC) برای اولین بار در خاورمیانه آغاز نمود. زمانیکه هنوز بسیاری از فروشگاههای اینترنتی، تجارت الکترونیک و حتی برگزارکنندگان محترم امروزی همایشهای فروش اینترنتی در حال و هوای دیگری بودند. شرکت مهندسی، تولیدی و بازرگانی دمـاتجهیــز با نگاهی به آینده، مسیر توسعه برند خود را ابتدا به عنوان اولین استارتاپ عرضه و فروش تجهیزات تأسیسات توسط آقای مهندس مجید زواریان با راهاندازی جامعترین وب سایت فروش تجهیزات تهویه مطبوع (HVAC)، تجهیزات گرمایشی و موتورخانه، تجهیزات استخر، سونا و جکوزی، تجهیزات کنترل و ایمنی در 6 بخش و 80 گروه ترسیم نمود. سپس با تولید بسیاری از تجهیزات مهم و کاربردی تهویه مطبوع و حتی گرمایشی مانند انواع فن کویل، داکت اسپلیت، برج خنک کننده، مینی چیلر، چیلر هواخنک و آبی، هواساز، ایرواشر، یونیت هیتر و... با قیمت و گارانتی مناسب، مسیر ارائه این محصولات به پروژههای مختلف را با برند دمـاتجهیــز بهبود بخشید (به بخش محصولات دمـاتجهیــز مراجعه فرمایید).