Water-cooled compression chillers (water chillers), despite the water consumption of the cooling tower, offer greater advantages compared to air-cooled chillers due to their higher efficiency, superior coefficient of performance, and lower overall cost. Below, the technical specifications, capacity estimation, selection method, and purchasing requirements of water-cooled chillers are presented for engineers and respected project owners.
Water-cooled compression chillers are in fact the core equipment for supplying chilled water to HVAC systems and industrial refrigeration applications, operating within a temperature range of 7 to 12 degrees Celsius and functioning based on the vapor compression refrigeration cycle.
In HVAC applications, water-cooled compression chillers supply chilled water to the cooling coils of fan coil units and air handling units. In an overall comparison between water-cooled and air-cooled chillers, it can be stated that the efficiency of water-cooled chillers is consistently higher than that of air-cooled chillers.
In industrial facilities, water-cooled chillers provide cold water for the cooling coils of the fan coils and air handling units. In a general comparison of water-cooled to air-cooled chillers, we can say that the efficiency of water-cooled chillers is always higher than air-cooled chillers.
However, the special advantage of air-cooled chillers compared to water-cooled chillers is that there is no need for water and, as a result, no deposit in the condenser, which increases their lifespan.

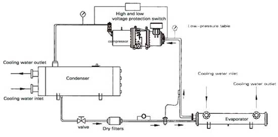
The operation of a compression chiller is based on the vapor compression refrigeration cycle, whose main components include the evaporator, compressor, condenser, and expansion valve.
In a water-cooled compression chiller, the refrigerant gas is first compressed by the compressor and, together with the control circuit and cooling tower system, enters the condenser shell. In the condenser, the refrigerant releases its heat to the cooling tower water flowing through the condenser coils and is converted from a gaseous state into liquid refrigerant. Subsequently, as the liquid refrigerant passes through the expansion valve, its pressure and velocity drop sharply, and it immediately enters the evaporator coil. Due to this pressure reduction in the evaporator, the refrigerant undergoes evaporation, which is a heat-absorbing process.
As the liquid refrigerant evaporates into gas within the evaporator coil, it absorbs heat from the water inside the evaporator shell. This water, which is the circulating water of the air conditioning system, is cooled down to the desired temperature and becomes fully chilled. The chilled water is then delivered by circulation pumps to fan coil units (FCUs) and air handling units (AHUs). Meanwhile, the refrigerant vapor generated in the evaporator is drawn back into the compressor, and the refrigeration cycle continues continuously.

The compressor first condenses the refrigerant gas, then enters the shell of the condenser, where it gives its heat to the water of the cooling tower inside the condenser coil and then turns into refrigerant liquid.
The pressure and the speed of the refrigerant liquid are greatly reduced as it passes through the expansion valve. Then, it enters the evaporator coil immediately, resulting in a pressure drop in the evaporator, known as the heat-absorbing process.
Due to the evaporation of the refrigerant liquid into the gas inside the evaporator coil, the temperature of the water inside the evaporator shell, which is the same as the flowing water in the air conditioning system, is reduced to the desired level and completely cooled.
After that, it enters the fan coils and air handling units through the circulator pumps, and the refrigerant gas is sucked by the compressor, and this refrigeration cycle continues constantly.

The condenser and evaporator of the compression chiller are, in fact, heat exchangers that the customer can choose (either shell and tube or plate heat exchangers).
Plate heat exchangers have many advantages, such as high speed and heat exchange levels, small volume, and more reasonable prices. However, due to the sensitivities that exist during the operation of plate heat exchangers in the matter of sedimentation on the heat exchange surfaces, water-cooled chillers are usually ordered with shell & tube condensers and evaporators.
In flooded chillers, the refrigerant gas flows inside the inner tubes of the condenser. The tower water flows inside the condenser shell to create the possibility of accurate and intelligent control of the flow rate of the working fluid (by controlling the level of the refrigerant liquid) and also to prevent deposits on the inner wall of the condenser coil.
Also, in the evaporator of flooded chillers, the air conditioning system's water flows inside the evaporator's coil tubes, and the refrigerant gas flows inside the evaporator shell.
When choosing water-cooled chillers, pay attention to the difference between the nominal capacity and the actual capacity of the chiller, especially concerning the maximum average outside temperature in summer in the chiller operating area.
Generally, facility experts determine the water-cooled chiller capacity required for each project by calculating the total cooling load capacity and considering various factors you should also keep in mind:
But suppose you want to have an approximate calculation of a chiller (phase 1 electricity) for residential and/or office buildings in climatic conditions such as Tehran, Tabriz, Isfahan, Shiraz, Mashhad, Semnan, Shahroud, Karaj, Kermanshah, Sulaimaniyah, Kirkuk, Mosul, Erbil, Aleppo, Kabul, etc. In that case, you can consider the nominal capacity of 1 ton of refrigeration (12000 BTU) for every 30 square meters of the building.
Also, before determining the final capacity and finalizing your purchase, contact the experts of DamaTajhiz HVAC Group for the correct cooling load estimation to ensure you get the right device.
Water-cooled chillers have many advantages compared to air compression chillers despite the evaporation of some water in their cooling tower. The advantages are the higher coefficient of performance (COP), lower initial purchase cost, lower electricity consumption, and better service by maintenance specialists all over the Middle East.

Here are some of the most important information about a water-cooled chiller's circuit that we think you need to know:
Here are the most important points to keep in mind to get the most out of your water-cooler chiller:
Water-cooled chillers usually have four main components: compressor, condenser, evaporator, and expansion valve. In the following, you can read the exact information about these components, their types, and how they function.
The compressor is the most important component of a water-cooled chiller, and the type, brand, and capacity you choose can largely affect the device's operation. Different types of compressors in water-cooled chillers mainly include:





Each has advantages and merits, and paying attention to the number, capacity, type, and brand of chiller compressors is very important. The refrigerant gas mechanism also differs based on the type of compressor.
The working principles of the first four compressors (positive displacement) significantly differ from centrifugal (dynamic) compressors. In positive displacement compressors, a certain volume of gas is constantly reduced by piston, scroll, screw, or rotary function.
Moreover, as the volume of refrigerant gas decreases, the pressure increases. In centrifugal compressors, the gas is compressed due to acceleration by the rotating propeller, and the pressure increases with the decrease in speed in a diffuser. It is also mentionable that centrifugal compressors are used in very high capacities.
As there are 3 types of relationships based on the function of the compressor, the following will provide you with the required information:
DamaTajhiz HVAC Group: The best prices and brands of construction equipment

In general, condensers in compression chillers in terms of internal structure are divided into 2 types: air-cooled and water-cooled condensers:
Comparison table of how air-cooled and water-cooled condensers work
| Air-cooled condenser | Water-cooled condenser |
|---|---|
| More power consumption | less power consumption |
| No need to water | High water consumption |
| Suitable in most climates and weather conditions | Restrictions in a few climatic conditions (hot and dry) |
| Higher initial price | Lower initial price |
| No need for water pumps | The need for cooling tower water circulation pumps |
| Lower coefficient of performance | Higher coefficient of performance (COP) |
| Installing the device outdoors | Installing the device in the central engine room |
| Simple maintenance conditions (no need for descaling) |
Complex maintenance conditions (requires descaling) |
| Larger dimensions | Smaller dimensions |
There are four types of condensers in terms of construction, and you can read the exact estimation of each one in the following:

An evaporator is a heat exchanger that transfers heat from water to refrigerant. The function of the evaporator in compression chillers is that it absorbs the heat of the water inside the evaporator after the refrigerant liquid passes through the expansion valve, and this cooled water enters the fan coils or air handling units of the project to provide cooling for the building. Evaporators are divided into 3 categories in terms of construction:

The expansion valve causes a sudden drop in the pressure of the refrigerant in its path to the evaporator, causing a decrease in its temperature and increasing its readiness to absorb heat in the evaporator.
Based on their design, expansion valves can be mechanical, thermostatic, or electronic. The electronic expansion valve is used in high capacities to manage and control the capacity more precisely in chillers.

To complete the performance of the air conditioning systems and exploit its performance, other pieces of equipment are used. The most important ones are mentioned in the following:

Various factors affect the price of a water-cooled chiller; the most important ones are type of the chiller (air-cooled, water-cooled, or absorption), capacity, technical specifications, and brand.
In addition, the cost of chiller installation varies based on the chiller's capacity, conditions, and the expert's salary.
Before finalizing your order, pay attention to the dimensions of the water-cooled chiller and how you will transport and install it in the engine room. It is necessary to consider sufficient lateral and longitudinal distances for the annual services of the condenser, evaporator, and compressor. As well as the repairs of other device parts at the place of installation.
Compliance with these intervals is one of the important parameters in the possibility of installing and performing periodic services and maintenance of chillers during their years of operation.
Also, before ordering and buying the required chiller, pay enough attention to its dimensions and how to carry and install the chiller in the engine room. It is necessary to take into account sufficient lateral and longitudinal distances for the annual services of the condenser, evaporator, and compressor of the chiller, as well as possible repairs of other parts of the device at the place of installation of the chilled water chiller. Compliance with these intervals is one of the important parameters in the possibility of installing and performing periodic services and maintenance of chillers during their years of operation.
On the DamaTajhiz HVAC website, information on dozens of types of water-cooled chillers from different brands with manufacturer guarantees has been presented for you to experience an excellent purchase.
Today, we proudly announce that DamaTajhiz HVAC Group provides all kinds of water-cooled chillers in the Middle East region, so if you need a chiller or any other product from this website, feel free to place your order. For more information, do not hesitate to contact DamaTajhiz HVAC sales experts.
You can order any HVAC and MEP products, including different types of air washers, cooling towers, air handling units, chillers, industrial evaporative coolers, air curtains, burners, cast-iron or steel boilers, heat exchangers, gas heaters, unit heaters, circulation pumps, sand filters, water and fuel storage tanks, and more, from countries such as the UAE, Armenia, Tajikistan, Georgia, Azerbaijan, Turkey, Oman, Pakistan, Turkmenistan, Afghanistan, Kuwait, Bahrain, Qatar, Iraq, and others across Asia, the Middle East, and Europe, and have them delivered to your city (Manama, Baghdad, Karachi, Dubai, Sharjah, Muscat, Riyadh, Abu Dhabi, Kuwait City, Jeddah, Sana'a, and Doha Amman, Sulaimaniyah, Sofia, Kirkuk, Islamabad, Mosul, Erbil, Dushanbe, Aleppo, Damascus, Baku, Beirut, and Kabul) in the shortest possible time. So, contact us by phone call or WhatsApp message through the number: +98-930-288-0251.
"Knowledge Fuels Better Choices"
Registered Trademark and Stewardship Business Licenses Issued by the Union of Virtual Business Association and the HVAC Equipment Industry.
DamaTajhiz HVAC Participation at International HVAC and Construction Facilities Exhibitions Demonstrates its Global Reach and Commitment to the Industry.
We Look Forward to Your Call and the Opportunity to Meet You
SHARE THIS CONTENT TO SPREAD THE KNOWLEDGE
| |
Head Office: No. 463,Talebian Alley,Taleghani St.Tehran,Iran


DamaTajhiz has provided the opportunity to sell and ship specialized HVAC equipment for applicants in the following countries as the first and the most popular online store for selling HVAC equipment (Heating , Ventilation , Cooling , Air conditioning) in the Middle East : Afghanistan – Tajikistan - Uzbekistan – Turkmenistan – Azerbaijan – Armenia – Georgia – Turkey – Iraq – Syria – Jordan – Kuwait – Emirates – Qatar – Oman.