ارسال فوری در تهران
ارسال به شهرستان 2 روز کاری
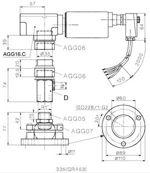
فتوسل زیمنس مدل QRA53-E27 ساخت شرکت معتبر زیمنس می باشد که یکی از تولید کنندگان موفق تجهیزات کنترل مانیتورینگ و اتوماسیون از جمله فتوسل یا چشم الکترونیک می باشد و با تکیه بر دانش فنی روز اروپا، متخصصین کارآزموده و همچنین ماشین آلات و تجهیزات پیشرفته محصولات با کیفیت و همگام با بالاترین استانداردهای تضمین کیفیت در اروپا را تولید می نماید.
فتوسل QRA53-E27 زیمنس یک نیمه رسانای الکتریکی مانند سیلیسیم می باشد که به طور شفاف ساخته می شود همین موضوع باعث شده تا زمانی که نور به فتوسل می تابد، آن را به انرژی الکتریکی تبدیل کند. از فتوسل یا چشم الکترونیک در صنعت استفاده بسیاری می شود به طوری که می توان از صفحه های خورشیدی تا چشم های حساس به نور را در خانواده فتوسل ها قرار داد. در صنعت هم نوعی فتوسل در مشعل استفاده می شود که می تواند روشن و خاموش بودن شعله مشعل را تشخیص دهد و به رله فرمان می دهد که جریان سوخت یا جرقه را قطع و وصل کند.

در فتوسل QRA53-E27 زیمنس با این نوع نظارت شعله، اشعه ماورابنفش منتشر شده توسط شعله های گاز یا نفت برای تولید سیگنال شعله استفاده می شود. آشکار ساز تابشی متشکل از یک سلول حساس به اشعه ماوراء بنفش با دو الکترود می باشد که در نتیجه روشن شدن مشعل با تابش در محدوده طیفی از 190 تا 270 نانومتر ، جریانی در مدار آشکارساز مشعل، راه اندازی می شود. سلول UV به نور روز یا نور ساطع شده از دیگ بخار واکنش نشان نمی دهد.
این چشم الکتریکی یا فتوسل در داخل محفظه ای در بدنه مشعل طوری نصب می گردد که بتواند داخل شعله را ببیند. در ساختمان فتوسل از نیمه هادی هایی مانند ژرمانیوم استفاده شده است که بر اثر تابش نور الکترون های مدار خارجی تحریک شده و بر طبق خاصیت هدایت پذیری ، جریان برق عبور می کند. یک فتوسل از صفحه سرامیکی کوچکی که بر روی آن ماده حساس به نور سولفید کادمیوم پوشیده شده و به یک رله متصل شده ، تشکیل شده است . با برخورد نور به سولفید کادمیوم مقاومت الکتریکی آن بسیار کاهش می یابد.
بنابراین وقتی مشعل روشن است، فتوسل نور را دریافت می کند و مقاومت ماده حساس به نور کاهش می یابد و در نتیجه جریان ضعیفی در مدار رله برقرار می شود و وقتی مشعل خاموش می شود و نور به فتوسل نمی رسد و مقاومت ماده حساس به نور اضافه می شود و جریانی به رله نمی رسد.

شرکت دماتجهیز، اصالت و سلامت فیزیکی فتوسل زیمنس مدل QRA53-E27 را تأیید می نماید.
در سایت مرجع و فروشگاهی دماتجهیز، انواع فتوسل زیمنس اصل، جهت ایجاد حس خوب خرید بهینه و هوشمند، برای شما مشتریان عزیز، ارائه گردیده است.
| نوع | فتوسل زیمنس | |
| مدل | QRA53E27 | |
| مورد استفاده | مشعل ها | |
| نوع | متناوب | |
| حساسیت | نرمال | |
| ولتاژ | 220-240V | |
| طول ردیاب | 125 mm | |
| وزن - Kg |
0.7 کیلوگرم |
|
| درجه حفاظت |
IP65 |
|
| برند |
Siemens |
|
| کشور سازنده |
آلمان |
|
دفتر مرکزی: تهران - خیابان طالقانی - بین مفتح و بهار - نبش طالبیان - ساختمان ۴۶۳
کارخانه: جاده قدیم ساوه - بعد از سه راهی آدران - شهرک صنعتی قلعه میر - خیابان رینگ کار


دمـاتجهیــز از سال 1382 فعالیت خود را با آینده نگری و خلاقیت بعنوان اولین فروشگاه اینترنتی کشور، در قالب مجموعه تخصصی و مهندسی فروش تجهیزات سرمایش، گرمایش و تهویه مطبوع (HVAC) برای اولین بار در خاورمیانه آغاز نمود. زمانیکه هنوز بسیاری از فروشگاههای اینترنتی، تجارت الکترونیک و حتی برگزارکنندگان محترم امروزی همایشهای فروش اینترنتی در حال و هوای دیگری بودند. شرکت مهندسی، تولیدی و بازرگانی دمـاتجهیــز با نگاهی به آینده، مسیر توسعه برند خود را ابتدا به عنوان اولین استارتاپ عرضه و فروش تجهیزات تأسیسات توسط آقای مهندس مجید زواریان با راهاندازی جامعترین وب سایت فروش تجهیزات تهویه مطبوع (HVAC)، تجهیزات گرمایشی و موتورخانه، تجهیزات استخر، سونا و جکوزی، تجهیزات کنترل و ایمنی در 6 بخش و 80 گروه ترسیم نمود. سپس با تولید بسیاری از تجهیزات مهم و کاربردی تهویه مطبوع و حتی گرمایشی مانند انواع فن کویل، داکت اسپلیت، برج خنک کننده، مینی چیلر، چیلر هواخنک و آبی، هواساز، ایرواشر، یونیت هیتر و... با قیمت و گارانتی مناسب، مسیر ارائه این محصولات به پروژههای مختلف را با برند دمـاتجهیــز بهبود بخشید (به بخش محصولات دمـاتجهیــز مراجعه فرمایید).