ارسال فوری در تهران
ارسال به شهرستان 2 روز کاری
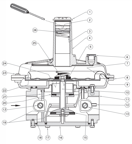
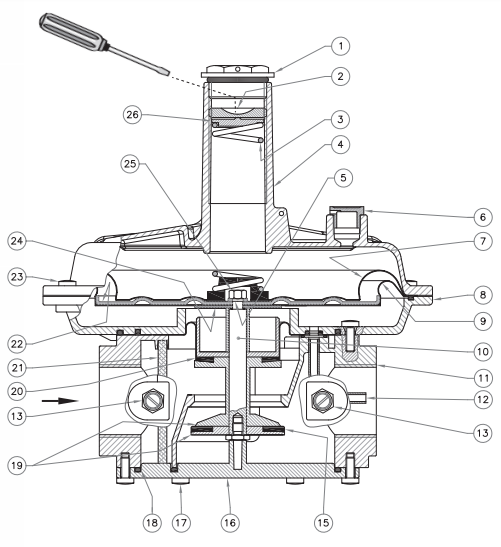
بالانسر ماداس گازی دنده ای سایز "2 مدل RG/2MC دستگاهی است که مقدار فشار مورد نیاز در پایین مدار لوله کشی (منظور مجموعه ای از تجهیزاتی است که قبل از رگولاتور اصلی نصب شده اند) را فراهم می نماید.
بالانسر تأمین مقدار فشار ورودی رگولاتور اصلی که وظیفه آن تنظیم فشار مدار لوله کشی است را بر عهده دارد.

بالانسرهای ماداس مدل RG/2MC باید به صورت زیر در مدار لوله کشی قرار بگیرند:
1 - تنظیم کننده دستی ریست شیر برقی
2 - شیر On/Off خاموش و روشن SM
3 - فیلتر گاز FM
4 - شیر شات آف MVB/1 Max
5 - رگولاتور بالانسر RG/2MC
6 - شیر اطمینان MVS/1
7 - دکمه و گیج فشار
8 - دریچه خروجی
9 - شیر توپی
10 - دتکتور گاز
11 - ریموت شیر ختموش و روشن SM
12 - پایه لرزه گیر و اتصال توسعه
1 - درپوش بستن
2 - پیچ تنظیم فشار ورودی
3 - فنر کالیبراسیون (تنظیم)
4 - پوشش فوقانی
5 - واشر دنده دار
6 - درپوش گرد و غبار
7 - غشا (ممبران) ایمنی
8 - فلنج
9 - غشا یا پوسته (ممبران) کاری
10 - پین مرکزی
11 - بدنه
12 - لوله سنسور
13 - دکمه تست فشار
14 - حلقه تفلون
15 - واشر آب بندی
16 - پوشش تحتانی
17 - پیچ پوشش تحتانی
18 - اورینگ آب بندی پوشش تحتانی
19 - حامل
20 - غشا (ممبران) تعویضی
21 - المان فیلتر
22 - دیسک بالای ممبران
23 - پیچ های پوشش فوقانی
24 - دیسک پایین غشا
25 - مهره نگه دارنده ممبران
26 - واشر فنر
A: معادل 160 mm
B: معادل 242 mm
C: معادل 225 mm
D: معادل 48.5 mm
E: معادل 193.5 mm
شرکت دماتجهیز، سلامت فیزیکی و اصالت بالانسر گازی فوق را تأیید می نماید.
در سایت مرجع و تخصصی دماتجهیز، امکان خرید بالانسر گازی ماداس (MADAS)، با قیمت تضمین شده و گارانتی اصل، برای شما عزیزان، جهت ایجاد حس خوب خرید بهینه و هوشمند، ارائه گردیده است.
| مدل | RG/2MC | Model |
| سایز اتصالات (DN) | 50 | Connection |
| سایز (inch) | "2 | Size |
| محدوده فشار خروجی (mBar) | 60 ~ 40 میلی بار | P2 |
| محدوده فشار کار (mBar) | 2 ~ 1 میلی بار | Pe |
| محدوده دمای کارکرد (C°) | 60 ~ 15- درجه سانتیگرد | Temprature |
| نوع اتصال | دنده ای | Jonit Type |
دفتر مرکزی: تهران - خیابان طالقانی - بین مفتح و بهار - نبش طالبیان - ساختمان ۴۶۳
کارخانه: جاده قدیم ساوه - بعد از سه راهی آدران - شهرک صنعتی قلعه میر - خیابان رینگ کار


دمـاتجهیــز از سال 1382 فعالیت خود را با آینده نگری و خلاقیت بعنوان اولین فروشگاه اینترنتی کشور، در قالب مجموعه تخصصی و مهندسی فروش تجهیزات سرمایش، گرمایش و تهویه مطبوع (HVAC) برای اولین بار در خاورمیانه آغاز نمود. زمانیکه هنوز بسیاری از فروشگاههای اینترنتی، تجارت الکترونیک و حتی برگزارکنندگان محترم امروزی همایشهای فروش اینترنتی در حال و هوای دیگری بودند. شرکت مهندسی، تولیدی و بازرگانی دمـاتجهیــز با نگاهی به آینده، مسیر توسعه برند خود را ابتدا به عنوان اولین استارتاپ عرضه و فروش تجهیزات تأسیسات توسط آقای مهندس مجید زواریان با راهاندازی جامعترین وب سایت فروش تجهیزات تهویه مطبوع (HVAC)، تجهیزات گرمایشی و موتورخانه، تجهیزات استخر، سونا و جکوزی، تجهیزات کنترل و ایمنی در 6 بخش و 80 گروه ترسیم نمود. سپس با تولید بسیاری از تجهیزات مهم و کاربردی تهویه مطبوع و حتی گرمایشی مانند انواع فن کویل، داکت اسپلیت، برج خنک کننده، مینی چیلر، چیلر هواخنک و آبی، هواساز، ایرواشر، یونیت هیتر و... با قیمت و گارانتی مناسب، مسیر ارائه این محصولات به پروژههای مختلف را با برند دمـاتجهیــز بهبود بخشید (به بخش محصولات دمـاتجهیــز مراجعه فرمایید).