ارسال فوری در تهران
ارسال به شهرستان 2 روز کاری
رگلاتور گازی ماداس دنده ای سایز "2 مدل RG/2MBZ از نوع دنده ای بوده و برای تنظیم فشار خروجی در مشعل و بویلر به کار می رود.
با توجه به سایز این مدل، ظرفیت آن 25 m3/Hr است.
شاید بتوان گفت مهم ترین وظیفه این محصولات، تبدیل فشار ورودی به فشار خروجی مجاز است، از این رو رگولاتور فوق می تواند حداکثر فشار ورودی 5 بار را به حداقل فشار خروجی مجاز، یعنی 0.5 بار تقلیل دهد.
این رگولاتورها فاقد فیلتر بوده و تفاوت آنها با سری FRG که دارای فیلتر می باشند در همین مسأله است.
بطور کلی رگلاتورگازی ماداس برای تبدیل و تنظیم فشار ورودی به فشار خروجی مجاز و مناسب برای سیستم به کار می روند.
از این محصولات می توان در تأسیسات گازی خانگی و صنعتی که در آنها گاز طبیعی (گازهای خشک) جریان دارند، استفاده نمود و جهت کارکرد با LPG و امثالهم مناسب نیست.

این محصولات حتما باید توسط افراد مجرب نصب و راه اندازی شوند.
در صورتی خرابی هریک از قطعات فنی رگلاتورهای گازی ماداس، قطعه مورد نظر صرفا باید توسط نمایندگی مجاز این محصول تأمین گردد، در غیر این صورت، کل دستگاه از گارانتی ساقط می گردد.
این محصولات صرفا باید برای هدفی که ساخته شده اند استفاده شوند، در غیر صورت شرکت ماداس مسئولیت هیچ گونه خرابی را نخواهد پذیرفت.
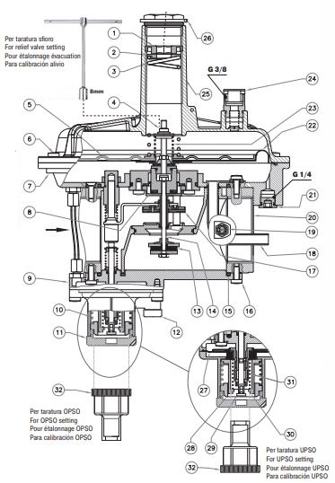
1 - مفصل لرزه گیر
2 - شیر توپی
3 - رگولاتور RG/2MBZ
4 - شیر توپی
5 - شیر دستی خروجی (Vent Valve)
6 - شیر اطمینان
7 - گیج اندازه گیری فشار پایین مجهز به دکمه ایمنی
8 - گیج اندازه گیری فشار بالا مجهز به دکمه ایمنی
A: معادل 230 mm
B: معادل 331 mm
C: معادل 225 mm
D: معادل 114.5 mm
E: معادل 216.5 mm
شرکت دماتجهیز، سلامت فیزیکی و اصالت رگولاتورهای گازی فوق را تأیید می نماید.
در سایت مرجع و تخصصی دماتجهیز، امکان خرید رگلاتور گازی ماداس (MADAS)، با قیمت تضمین شده و گارانتی اصل، برای شما عزیزان، جهت ایجاد حس خوب خرید بهینه و هوشمند، ارائه گردیده است.
| مدل | RG/2MBZ | Model |
| سایز اتصالات (DN) | 50 | Connection |
| سایز (inch) | "2 | Size |
| حداکثر محدوده فشار کار شیر شات آف (mBar) | 90 ~ 30 میلی بار | OPSO |
| حداقل محدوده فشار کار شیر شات آف (mBar) | 20 ~ 7 میلی بار | UPSO |
| فشار ورودی (Bar) | 5 بار | Pa |
| محدوده فشار خروجی (mBar) | 180 ~ 85 میلی بار | Pe |
دفتر مرکزی: تهران - خیابان طالقانی - بین مفتح و بهار - نبش طالبیان - ساختمان ۴۶۳
کارخانه: جاده قدیم ساوه - بعد از سه راهی آدران - شهرک صنعتی قلعه میر - خیابان رینگ کار


دمـاتجهیــز از سال 1382 فعالیت خود را با آینده نگری و خلاقیت بعنوان اولین فروشگاه اینترنتی کشور، در قالب مجموعه تخصصی و مهندسی فروش تجهیزات سرمایش، گرمایش و تهویه مطبوع (HVAC) برای اولین بار در خاورمیانه آغاز نمود. زمانیکه هنوز بسیاری از فروشگاههای اینترنتی، تجارت الکترونیک و حتی برگزارکنندگان محترم امروزی همایشهای فروش اینترنتی در حال و هوای دیگری بودند. شرکت مهندسی، تولیدی و بازرگانی دمـاتجهیــز با نگاهی به آینده، مسیر توسعه برند خود را ابتدا به عنوان اولین استارتاپ عرضه و فروش تجهیزات تأسیسات توسط آقای مهندس مجید زواریان با راهاندازی جامعترین وب سایت فروش تجهیزات تهویه مطبوع (HVAC)، تجهیزات گرمایشی و موتورخانه، تجهیزات استخر، سونا و جکوزی، تجهیزات کنترل و ایمنی در 6 بخش و 80 گروه ترسیم نمود. سپس با تولید بسیاری از تجهیزات مهم و کاربردی تهویه مطبوع و حتی گرمایشی مانند انواع فن کویل، داکت اسپلیت، برج خنک کننده، مینی چیلر، چیلر هواخنک و آبی، هواساز، ایرواشر، یونیت هیتر و... با قیمت و گارانتی مناسب، مسیر ارائه این محصولات به پروژههای مختلف را با برند دمـاتجهیــز بهبود بخشید (به بخش محصولات دمـاتجهیــز مراجعه فرمایید).