ارسال فوری در تهران
ارسال به شهرستان 2 روز کاری
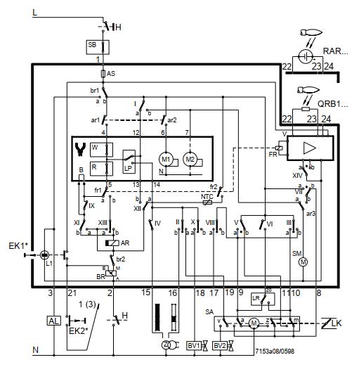
شرکت زیمنس یکی از تولید کنندگان موفق تجهیزات کنترل و اتوماسیون از جمله رله زیمنس مشعل گازوئیل سوز مدل LAL 2.25 می باشد که با تکیه بر دانش فنی روز اروپا، متخصصین کارآزموده و همچنین ماشین آلات و تجهیزات پیشرفته محصولات با کیفیت و همگام با بالاترین استانداردهای تضمین کیفیت در اروپا را تولید می نماید.رله زیمنس مشعل گازوئیل سوز مدل LAL 2.25، یک رله تایمر مشعل برای کنترل مشعل های شعله زرد و آبی با نظارت بر فشار هوا است.
بطور کلی رله مشعل یک کلید ساده الکترومکانیکی است که از یک آهنربای الکتریکی و یک سری اتصالات تشکیل شده است. رلهها در انواع وسایل به صورت پنهان یافت شده و در بعضی از کامپیوترهای اولیه از رلهها برای گیتهای منطقی مورد استفاده قرار میگرفت. هر رله دارای 4 قسمت متشکل از آهنربای الکتریکی، تیغه یا آرماتور که میتواند به وسیلهی آهنربای الکتریکی جذب شود، فنر و یک سری اتصالات الکتریکی است.


شرکت دماتجهیز، اصالت و سلامت فیزیکی رله زیمنس مشعل گازوئیل سوز مدل LAL 2.25 را تأیید می نماید.
در مجموعه مرجع و تخصصی دماتجهیز، انواع رله مشعل زیمنس، برای شما مشتریان عزیز، ارائه گردیده است.
| نوع |
رله تایمر مشعل گازوئیل زیمنس |
|
|
مدل |
LAL 2.25 | |
| مورد استفاده | مشعل های گازوئیل سوز | |
| ولتاژ تغذیه - V |
AC 230 V –15 %+10% %AC 100 V –15 AC 110 V+10% |
|
| تلورانس ولتاژ - Hz | 60~50 هرتز ±6 % | |
| توان مصرفی - VA |
AC 3.5 VA |
|
| فیوز اولیه (خارجی) |
ماکزیمم 10 آمپر (slow) |
|
| فیوز تکی (داخلی) |
T6,3H250V to DIN EN 60 127 |
|
| وزن - g |
1000 گرم |
|
| استاندارد حفاظت الکتریکی |
IP40 |
|
| کشور سازنده |
آلمان |
|
دفتر مرکزی: تهران - خیابان طالقانی - بین مفتح و بهار - نبش طالبیان - ساختمان ۴۶۳
کارخانه: جاده قدیم ساوه - بعد از سه راهی آدران - شهرک صنعتی قلعه میر - خیابان رینگ کار


دمـاتجهیــز از سال 1382 فعالیت خود را با آینده نگری و خلاقیت بعنوان اولین فروشگاه اینترنتی کشور، در قالب مجموعه تخصصی و مهندسی فروش تجهیزات سرمایش، گرمایش و تهویه مطبوع (HVAC) برای اولین بار در خاورمیانه آغاز نمود. زمانیکه هنوز بسیاری از فروشگاههای اینترنتی، تجارت الکترونیک و حتی برگزارکنندگان محترم امروزی همایشهای فروش اینترنتی در حال و هوای دیگری بودند. شرکت مهندسی، تولیدی و بازرگانی دمـاتجهیــز با نگاهی به آینده، مسیر توسعه برند خود را ابتدا به عنوان اولین استارتاپ عرضه و فروش تجهیزات تأسیسات توسط آقای مهندس مجید زواریان با راهاندازی جامعترین وب سایت فروش تجهیزات تهویه مطبوع (HVAC)، تجهیزات گرمایشی و موتورخانه، تجهیزات استخر، سونا و جکوزی، تجهیزات کنترل و ایمنی در 6 بخش و 80 گروه ترسیم نمود. سپس با تولید بسیاری از تجهیزات مهم و کاربردی تهویه مطبوع و حتی گرمایشی مانند انواع فن کویل، داکت اسپلیت، برج خنک کننده، مینی چیلر، چیلر هواخنک و آبی، هواساز، ایرواشر، یونیت هیتر و... با قیمت و گارانتی مناسب، مسیر ارائه این محصولات به پروژههای مختلف را با برند دمـاتجهیــز بهبود بخشید (به بخش محصولات دمـاتجهیــز مراجعه فرمایید).