فیلتر شنی استخر پینا سری Mitra مدل AAA11 دستگاهی مناسب برای تصفیه آب استخر است که مجهز به شیر 6 راهه و دارای مخزن سیلیس یا شن 100 کیلوگرمی می باشد.
فیلتر شنی استخر پینا سری Mitra مدل AAA11 از جنس فایبرگلاس با روکش پلی استر ساخته شده و مقاومت زیادی در برابر رطوبت بالا و تغییرات جوی دارد.
فیلتر های شنی استخر پینا دارای دربی هستند که در قسمت بالای آن ها تعبیه شده و همچنین شیر 6 راهه به قسمت کناری آن ها نیز متصل می گردد.
بطورکلی برند Pina در اصل ساخت کشور استرالیا است، اما در حال حاضر کشور ترکیه بخشی از تولیدات این شرکت را برعهده دارد.
شرکت پینا سابقه ای درخشان در زمینه تولیدات انواع تجهیزات استخر، سونا و جکوزی دارد و محصولات مختلفی را مانند پمپ استخری، فیلتر شنی استخر و ... در مدل های متفاوت با توجه به کاربردهای متنوع، تولید و به بازار عرضه می کند.
در سایت مرجع و تخصصی دماتجهیز، مشخصات فنی و قیمت فیلتر شنی استخر پینا (Pina) با گارانتی اصلی و ارسال فوری، جهت ایجاد حس خوب خرید بهینه و هوشمند، برای شما عزیزان ارائه گردیده است.
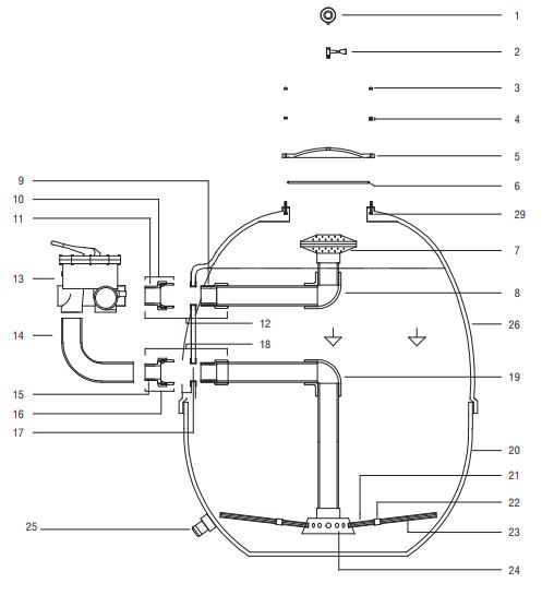
1 - مانومتر
2 - سوپاپ پاک کننده
3 - پیچ و درپوش درب دار
4 - مهره و واشر مخصوص پیچ درب دار
5 - درب بالایی فیلتر
6 - اورینگ درب بالایی
7 - دیفیوزر (متشکل از بدنه و درب دیفیوزر)
8 - سیستم لوله دیفیوزر
9 - آداپتور رشته ای D63
10 - اتصال فوقانی (متشکل از بدنه، مهره و اورینگ اتصال)
11 - اتصال لوله فوقانی
12 - کیت آداپتور اتصال فوقانی
13 - شیر چندراهه
14 - لوله اتصال دریچه
15 - قطعه اتصال لوله پایینی
16 - اتصال پایینی (متشکل از بدنه، مهره و اورینگ اتصال)
17 - واشر شکل U
18 - کیت آداپتور اتصال پایینی
19 - سیستم لوله جانبی
20 - مخزن تحتانی بدنه
21 - صفحه جانبی 100 mm
22 - سوکت دوبل "3/4
23 - صفحه جانبی 220 mm
24 - کولکتور فیلتر (متشکل از درب، پیچ و بدنه جمع کننده)
25 - لوله تخلیه هوا
26 - مخزن بالای بدنه
27 - کولکتور جانبی
28 - پیچ درب فیلتر
29 - مدار فیلتر (به همراه پیچ)
30 - واشر مدار فیلتر
A : معادل 450 mm
B : معادل 685 mm
C : معادل 435 mm
D : معادل 260 mm
E : معادل 300 mm
فیلتر شنی استخر پینا سری Mitra مدل AAA11 دارای 12 ماه گارانتی است.
| مدل | Mitra AAA11 |
| دبی-حجم تصفیه (m3/hr) | 8 |
| قطر (mm) | 450 |
| شن یا سیلیس مورد نیاز (Kg) | 100 |
| جنس بدنه | فایرگلاس با روکش پلی استر |
| اتصالات (mm) | 50 |
| اتصالات (inch) | 1/2 1 |
دفتر مرکزی: تهران - خیابان طالقانی - بین مفتح و بهار - نبش طالبیان - ساختمان ۴۶۳
کارخانه: جاده قدیم ساوه - بعد از سه راهی آدران - شهرک صنعتی قلعه میر - خیابان رینگ کار


دمـاتجهیــز از سال 1382 فعالیت خود را با آینده نگری و خلاقیت بعنوان اولین فروشگاه اینترنتی کشور، در قالب مجموعه تخصصی و مهندسی فروش تجهیزات سرمایش، گرمایش و تهویه مطبوع (HVAC) برای اولین بار در خاورمیانه آغاز نمود. زمانیکه هنوز بسیاری از فروشگاههای اینترنتی، تجارت الکترونیک و حتی برگزارکنندگان محترم امروزی همایشهای فروش اینترنتی در حال و هوای دیگری بودند. شرکت مهندسی، تولیدی و بازرگانی دمـاتجهیــز با نگاهی به آینده، مسیر توسعه برند خود را ابتدا به عنوان اولین استارتاپ عرضه و فروش تجهیزات تأسیسات توسط آقای مهندس مجید زواریان با راهاندازی جامعترین وب سایت فروش تجهیزات تهویه مطبوع (HVAC)، تجهیزات گرمایشی و موتورخانه، تجهیزات استخر، سونا و جکوزی، تجهیزات کنترل و ایمنی در 6 بخش و 80 گروه ترسیم نمود. سپس با تولید بسیاری از تجهیزات مهم و کاربردی تهویه مطبوع و حتی گرمایشی مانند انواع فن کویل، داکت اسپلیت، برج خنک کننده، مینی چیلر، چیلر هواخنک و آبی، هواساز، ایرواشر، یونیت هیتر و... با قیمت و گارانتی مناسب، مسیر ارائه این محصولات به پروژههای مختلف را با برند دمـاتجهیــز بهبود بخشید (به بخش محصولات دمـاتجهیــز مراجعه فرمایید).