ارسال فوری در تهران
ارسال به شهرستان 2 روز کاری
شرکت هانیول یکی از تولید کنندگان موفق تجهیزات کنترل ایمنی از جمله موتور دمپر است که با تکیه بر دانش فنی روز اروپا، متخصصین کارآزموده و همچنین ماشین آلات و تجهیزات پیشرفته محصولات با کیفیت و همگام با بالاترین استانداردهای تضمین کیفیت در اروپا را تولید می نماید. موتور دمپر هانیول lks 210 یکی از پرکاربردترین >موتور دمپرها بوده و از نظر کیفیت تولید و قیمت، یکی از نمونه های پرطرفدار در بازار است.
به طور کلی دمپر نوعی مسدود کننده جریان است که وظیفه ی باز و بسته کردن یا تنظیم و کنترل جریان عبوری از هر مسیری مانند داخل داکت و دودکش را بر عهده دارد.برای مثال از دمپر برای قطع جریان هوای ورودی یک اتاق یا برای تنظیم مقدار جریان هوای کانال به هر اتاق جهت تنظیم دمای اتاق استفاده می کنند و در واقع به عنوان ابزاری جهت تهویه مطبوع بکار می رود.
دمپرها به دو صورت دستی و اتوماتیک (سرو موتور) عمل می کنند که در دمپرهای دستی کنترل بوسیله دست و اهرم بیرونی صورت گرفته و در دمپرهای اتوماتیک بوسیله موتور دمپر سرو موتور انجام می شود .مثلا هنگام راه اندازی هر وسیله گرمایشی باید از باز بودن دمپر هوا اطمینان حاصل نمود زیرا بسته بودن دمپر به شدت خطر آفرین بوده و می تواند باعث گاز گرفتگی یا آتش سوزی شود.
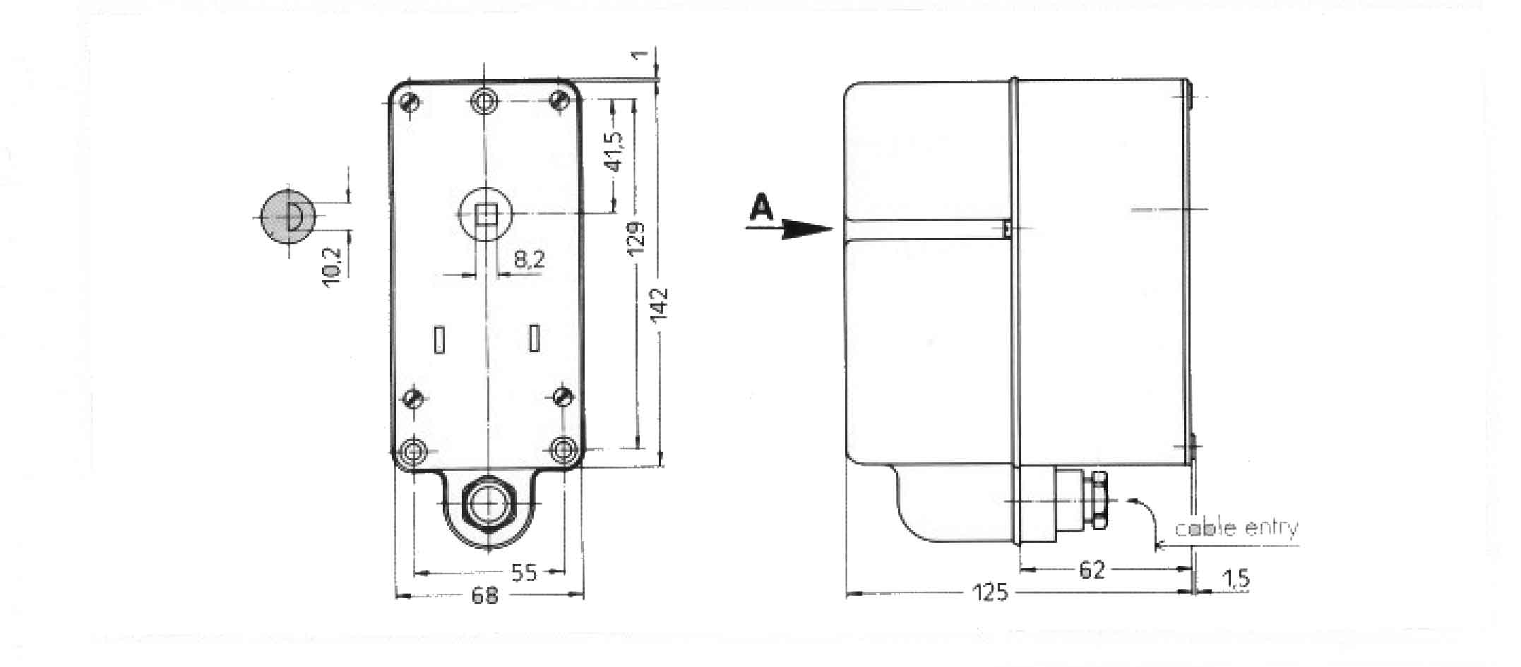
موتور دمپر مشعل هانیول درمشعل های گازی، دریچه های هوا و مشعل های نفتی استفاده می شود. عملکرد این دمپر اکچویتور به صورت تدریجی ( Modulation ) بوده که از دقت عملکرد بالایی برخوردار است. جریان برق پشتیبان موتور دمپر هانیول lks 210، ۲۲۰ ولت بوده و فرکانس آن در محدوده ۵۰ تا ۶۰ هرتز است.
این عملگر الکتریکی دمپر دارای کورس چرخشی (Stroke Rotation ) ۹۰ درجه ( ربع گرد ) و ساخت اروپای غربی است. یکی از ویژگی های منحصر بفرد موتورهای دمپر هانیول سری lks قابلیت چرخش به دو صورت چپگرد و راستگرد می باشد.




شرکت دماتجهیز، اصالت و سلامت فیزیکی موتور دمپر هانیول - کانکترون را تأیید می نماید.
در سایت مرجع و تخصصی دماتجهیز، انواع موتور دمپر هانیول اصل، جهت ایجاد حس خوب خرید بهینه و هوشمند، برای شما مشتریان عزیز، ارائه گردیده است.
| نوع | موتور دمپر HONEYWELL CONECTRON | |
| مدل | (LKS 210-24(B 5-5 S1 | |
| شفت - Nr | 5 | |
| گشتاور - Nm | 1.5-3 نیوتن متر | |
| مدت زمان راه اندازی - s | 3.5-30 ثانیه | |
| جهت چرخش | راستگرد | |
| ولتاژ - V | 230 ولت | |
| موارد استفاده | مشعل های گازی و گازوئیل سوز | |
| وزن تقریبی - Kg | 1 کیلوگرم | |
| فرکانس - Hz | 50-60 هرتز | |
| برند | هانیول - کانکترون | |
| ساخت | اروپای غربی | |
دفتر مرکزی: تهران - خیابان طالقانی - بین مفتح و بهار - نبش طالبیان - ساختمان ۴۶۳
کارخانه: جاده قدیم ساوه - بعد از سه راهی آدران - شهرک صنعتی قلعه میر - خیابان رینگ کار


دمـاتجهیــز از سال 1382 فعالیت خود را با آینده نگری و خلاقیت بعنوان اولین فروشگاه اینترنتی کشور، در قالب مجموعه تخصصی و مهندسی فروش تجهیزات سرمایش، گرمایش و تهویه مطبوع (HVAC) برای اولین بار در خاورمیانه آغاز نمود. زمانیکه هنوز بسیاری از فروشگاههای اینترنتی، تجارت الکترونیک و حتی برگزارکنندگان محترم امروزی همایشهای فروش اینترنتی در حال و هوای دیگری بودند. شرکت مهندسی، تولیدی و بازرگانی دمـاتجهیــز با نگاهی به آینده، مسیر توسعه برند خود را ابتدا به عنوان اولین استارتاپ عرضه و فروش تجهیزات تأسیسات توسط آقای مهندس مجید زواریان با راهاندازی جامعترین وب سایت فروش تجهیزات تهویه مطبوع (HVAC)، تجهیزات گرمایشی و موتورخانه، تجهیزات استخر، سونا و جکوزی، تجهیزات کنترل و ایمنی در 6 بخش و 80 گروه ترسیم نمود. سپس با تولید بسیاری از تجهیزات مهم و کاربردی تهویه مطبوع و حتی گرمایشی مانند انواع فن کویل، داکت اسپلیت، برج خنک کننده، مینی چیلر، چیلر هواخنک و آبی، هواساز، ایرواشر، یونیت هیتر و... با قیمت و گارانتی مناسب، مسیر ارائه این محصولات به پروژههای مختلف را با برند دمـاتجهیــز بهبود بخشید (به بخش محصولات دمـاتجهیــز مراجعه فرمایید).