زمان تحویل 2تا 5 روزکاری (برای ثبت سفارش تماس بگیرید.)
پمپ تصفیه آب استخر داب DAB مدل Euro swim100 ساخت کشور ایتالیا است. پمپ تصفیه آب استخر داب DAB مدل Euro swim100 یکی از قدرتمند ترین، کارامد ترین و انعطاف پذیرترین (قابل اتصال به انواع تجهیزات فیلتراسیون استخر از برندهای دیگر) محصولات شرکت داب ایتالیا بوده که بهره وری و فیلتراسیون آب استخرهای سرپوشیده و روباز خانگی، استخرهای تجاری و حتی استخرهای مخصوص پرورش آبزیان را به بهترین نحو تأمین می دهد. جنس بدنه پمپ استخر از فایبرگلاس تقویت شده و همچنین جنس بدنه استرینر آن از پلی کربنات آنتی اکسیدان ساخته شده است.
پمپ تصفیه آب استخر داب مدل Euro swim100 تکفاز است و عملکرد کم صدای آن مورد توجه بسیاری از کاربران قرار گرفته است. حداکثر دبی مدل Euro swim100 برابر است با 24 متر مکعب بر ساعت و سایز اتصالات ورودی و خروجی آن معادل 2 اینچ میباشد.
در سایت مرجع و تخصصی دماتجهیز، مشخصات فنی و قیمت های تضمین شده انواع پمپ تصفیه استخر داب با گارانتی اصلی و ارسال فوری، جهت ایجاد حس خوب خرید بهینه و هوشمند، برای شما عزیزان ارائه گردیده است.
همچنین الکتروموتور به کار رفته در این پمپ قوی، از نوع 2 پل 3000 دور با درجه حفاظت IP55 و کلاس عایق بندی شده F بوده که جنس بدنه این الکتروموتور از آلومینیوم می باشد؛
این پمپ ها از نوع تک فاز می باشند.
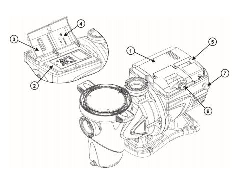
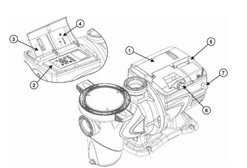
1.پوشش محافظ پنل کاربری: وظیفه محافظت از صفحه کنترل در برابر رطوبت، گردوغبار و ضربههای احتمالی را بر عهده دارد.
2 . پنل کنترل و تنظیم عملکرد: جهت مدیریت حالتهای کاری پمپ، نمایش وضعیت عملکرد و اعمال تنظیمات مربوط به فشار و دبی استفاده میشود.
کد QR اختصاصی محصول: کدی انحصاری از سوی کمپانی DAB که برای ثبت محصول، مشاهده مشخصات فنی، دفترچه راهنما و سوابق گارانتی کاربرد دارد.
3. پنل راهنمای سریع (Quick Guide): شامل کلیدهای اصلی و دسترسی سریع برای راهاندازی اولیه و انجام تنظیمات پایه پمپ است.
4. پوشش بُرد الکترونیکی: محافظ مدار داخلی و سیستم کنترل پمپ که مانع نفوذ رطوبت و آسیب فیزیکی به قطعات حساس میشود.
5. کانکتور ورودی و خروجی سیگنال: جهت اتصال به کابلهای کنترلی یا تجهیزات جانبی نظیر سنسور فشار، کنترلر سرعت یا سیستم هوشمند استخر بهکار میرود.
6. محل اتصال کابل پاور: ورودی برق اصلی پمپ که از طریق آن تغذیه الکتریکی موتور و سیستم کنترل تأمین میشود
این محصول دارای ۳ سال خدمات پس از فروش و گارانتی معتبر شرکتی است. خدمات شامل تعویض قطعات معیوب، سرویس دورهای و پشتیبانی فنی میباشد. برای حفظ اعتبار گارانتی، نصب پمپ باید توسط تکنسین مجاز انجام گیرد و دفترچه راهنمای کارخانه رعایت شود.
قیمت این پمپ بسته به نوسانات ارزی و هزینههای واردات متغیر است، اما معمولاً در محدوده میانرده تا حرفهای بازار قرار دارد. برای استعلام دقیق، میتوانید از فروشگاههای تخصصی تجهیزات استخر مانند دماتجهیز یا نمایندگیهای رسمی DAB در ایران استعلام بگیرید تا از قیمت تضمینشده و گارانتی اصلی برخوردار شوید.
برای خرید مطمئن و دریافت مشاوره فنی پیش از خرید، میتوانید به وبسایتهای تخصصی تجهیزات استخر مانند دماتجهیز، آبیاران و آراز صنعت مراجعه کنید. این مراکز علاوه بر ارائه قیمت بهروز و اصالت کالا، امکان ارسال فوری، پرداخت امن و پشتیبانی تخصصی را فراهم کردهاند تا تجربه خریدی مطمئن و حرفهای داشته باشید.
| مدل | Euro swim100 | |
| کشور سازنده | ایتالیا | |
| توان موتور (وات) | 750 | |
| اسب بخار | 1 اسب بخار | |
| هد (متر) | 15.4 | |
| برق مصرفی | 220 ولت /380 ولت | |
| دبی (متر مکعب بر ساعت) | 24 | |
| مناسب برای حجم استخر (متر مکعب) | 35~ 55 | |
دفتر مرکزی: تهران - خیابان طالقانی - بین مفتح و بهار - نبش طالبیان - ساختمان ۴۶۳
کارخانه: جاده قدیم ساوه - بعد از سه راهی آدران - شهرک صنعتی قلعه میر - خیابان رینگ کار


دمـاتجهیــز از سال 1382 فعالیت خود را با آینده نگری و خلاقیت بعنوان اولین فروشگاه اینترنتی کشور، در قالب مجموعه تخصصی و مهندسی فروش تجهیزات سرمایش، گرمایش و تهویه مطبوع (HVAC) برای اولین بار در خاورمیانه آغاز نمود. زمانیکه هنوز بسیاری از فروشگاههای اینترنتی، تجارت الکترونیک و حتی برگزارکنندگان محترم امروزی همایشهای فروش اینترنتی در حال و هوای دیگری بودند. شرکت مهندسی، تولیدی و بازرگانی دمـاتجهیــز با نگاهی به آینده، مسیر توسعه برند خود را ابتدا به عنوان اولین استارتاپ عرضه و فروش تجهیزات تأسیسات توسط آقای مهندس مجید زواریان با راهاندازی جامعترین وب سایت فروش تجهیزات تهویه مطبوع (HVAC)، تجهیزات گرمایشی و موتورخانه، تجهیزات استخر، سونا و جکوزی، تجهیزات کنترل و ایمنی در 6 بخش و 80 گروه ترسیم نمود. سپس با تولید بسیاری از تجهیزات مهم و کاربردی تهویه مطبوع و حتی گرمایشی مانند انواع فن کویل، داکت اسپلیت، برج خنک کننده، مینی چیلر، چیلر هواخنک و آبی، هواساز، ایرواشر، یونیت هیتر و... با قیمت و گارانتی مناسب، مسیر ارائه این محصولات به پروژههای مختلف را با برند دمـاتجهیــز بهبود بخشید (به بخش محصولات دمـاتجهیــز مراجعه فرمایید).