ارسال فوری در تهران
ارسال به شهرستان 2 روز کاری
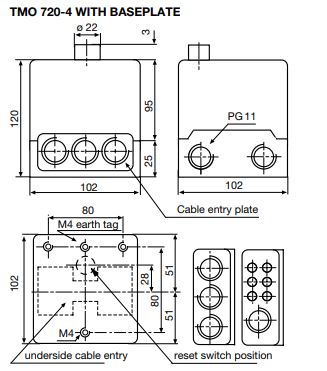
وظیفه رله گازوئیلی هانیول ساترونیک TMO-720-4 کنترل کردن عملکرد مشعل است. به این ترتیب که توانایی کنترل و نظارت بر مشعل های مرحله ای یا مدولیت و مشعل های پیلوت دار و هماهنگ کردن مرحله های گوناگون مثل پیش تهویه و جرقه و فاصله های زمانی مطمئن تا ایجاد شعله اصلی و در صورت به وجود آمدن هرگونه مشکل در ایجاد شعله مانند جرقه نزدن، خاموش و یا ناقص شدن شعله سیستم را از مدار خارج می کند و انتظار لازم را می دهد.
در سایت مرجع و تخصصی دماتجهیز، تمامی قیمت رله مشعل هانیول اصل، جهت ایجاد حس خوب خرید بهینه و هوشمند، برای شما مشتریان عزیز، ارائه گردیده است.

وظیفه رله گازوئیلی هانیول ساترونیک TMO-720-4 کنترل کردن عملکرد مشعل است. به این ترتیب که توانایی کنترل و نظارت بر مشعل های مرحله ای یا مدولیت و مشعل های پیلوت دار و هماهنگ کردن مرحله های گوناگون مثل پیش تهویه و جرقه و فاصله های زمانی مطمئن تا ایجاد شعله اصلی و در صورت به وجود آمدن هرگونه مشکل در ایجاد شعله مانند جرقه نزدن، خاموش و یا ناقص شدن شعله سیستم را از مدار خارج می کند و انتظار لازم را می دهد.
شرکت دماتجهیز، اصالت و سلامت فیزیکی این رله گازوئیلی را تأیید می نماید.
| مدل | TMO-720-4 | |
| مورد استفاده | مشعل های گازوئیل سوز | |
| ولتاژ تغذیه (V) |
220/240 (ولت) | |
| سرعت فیوز (A) | سریع: 10(آمپر) آهسته: 6(آمپر) | |
| توان مصرفی (VA) |
15 (ولت آمپر) |
|
| ورودی یو وی (mA) | 70 میلی آمپر | |
| سوئیچ تامین هوا (A) (V) |
6(آمپر) 220(ولت) |
|
| جنس بدنه |
پلاستیک شفاف (تلق شیشه ای) |
|
| وزن (Kg) |
0.950 (کیلوگرم) |
|
| استاندارد حفاظت الکتریکی |
IP44 |
|
| کشور سازنده |
مجارستان |
|
دفتر مرکزی: تهران - خیابان طالقانی - بین مفتح و بهار - نبش طالبیان - ساختمان ۴۶۳
کارخانه: جاده قدیم ساوه - بعد از سه راهی آدران - شهرک صنعتی قلعه میر - خیابان رینگ کار


دمـاتجهیــز از سال 1382 فعالیت خود را با آینده نگری و خلاقیت بعنوان اولین فروشگاه اینترنتی کشور، در قالب مجموعه تخصصی و مهندسی فروش تجهیزات سرمایش، گرمایش و تهویه مطبوع (HVAC) برای اولین بار در خاورمیانه آغاز نمود. زمانیکه هنوز بسیاری از فروشگاههای اینترنتی، تجارت الکترونیک و حتی برگزارکنندگان محترم امروزی همایشهای فروش اینترنتی در حال و هوای دیگری بودند. شرکت مهندسی، تولیدی و بازرگانی دمـاتجهیــز با نگاهی به آینده، مسیر توسعه برند خود را ابتدا به عنوان اولین استارتاپ عرضه و فروش تجهیزات تأسیسات توسط آقای مهندس مجید زواریان با راهاندازی جامعترین وب سایت فروش تجهیزات تهویه مطبوع (HVAC)، تجهیزات گرمایشی و موتورخانه، تجهیزات استخر، سونا و جکوزی، تجهیزات کنترل و ایمنی در 6 بخش و 80 گروه ترسیم نمود. سپس با تولید بسیاری از تجهیزات مهم و کاربردی تهویه مطبوع و حتی گرمایشی مانند انواع فن کویل، داکت اسپلیت، برج خنک کننده، مینی چیلر، چیلر هواخنک و آبی، هواساز، ایرواشر، یونیت هیتر و... با قیمت و گارانتی مناسب، مسیر ارائه این محصولات به پروژههای مختلف را با برند دمـاتجهیــز بهبود بخشید (به بخش محصولات دمـاتجهیــز مراجعه فرمایید).