دليل شراء المراجل البخارية HararatGostar موديل HS26
- يتم إنتاج جميع مراجل شركة Hararat Gostar وفقًا لتصميم JOHN THOMPSON في إنجلترا وبموافقة خطة البناء من معهد TUV النمساوي على شكل 3 تمريرات وظهر خلفي.
- يمكن أيضًا توفير المراجل الفولاذية لشركة Hararat Gostar ، بالإضافة إلى ضغط التشغيل المقدم 10 مرات في جدول المواصفات الفنية أعلاه ، في ضغوط العمل الأخرى بناءً على احتياجات العملاء وطلباتهم.

- مراجل التدفئة القياسية ، بالإضافة إلى أن يتم بناؤها وفقًا للرسم المعتمد ، مطلوبة للأجسام الفولاذية والأفران والشبكات المستخدمة في بناء خزانات الحرارة والضغط وفقًا لـ DIN 17 MN4 أو ASME A516 / G70. تستخدم خراطيم الحريق غير الملحومة DIN ST35.8 لمواد الأنابيب.
- تعتبر جودة وملحقات المرجل الفولاذي مهمًا في أداء وسعر تكلفة المرجل ، والذي يتم الإعلان عنه في وقت إرسال الفاتورة المسبقة ، ووصف المعدات بمزيد من المواصفات الفنية ووقت تسليم المرجل للمشتري.
- شركة Hararat Gostar للتصنيع والصناعة بخبرة تزيد عن 30 عامًا في إنتاج أنواع مختلفة من مراجل الماء الساخن هي الشركة الأولى والوحيدة التي تنتج مراجل الماء الساخن والبخار في البلاد بإدارة متخصصة تمامًا ومستمدة من المعرفة التقنية.
- يتم تسخين الغلاية ، ويتم تركيب بدن الرأس والبدن اليدوي وصمامات غرف التفتيش بأبعاد مناسبة في الأماكن التي يسهل الوصول إليها للفحص والخدمات الدورية وحتى الاستبدال المحتمل لأنابيب المراجل (بعد فترة طويلة من التشغيل).
- قبل شراء أي موديل من مراجل التدفئة أو مراجل الماء الساخن ، انتبه أكثر لحالة وضغط المرجل حسب الترتيب المتكامل للمراجل الفولاذية ووزنها. انتبه إلى كيفية نقل المرجل إلى مكان المنشأ.
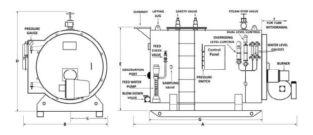
- الأبعاد المتوفرة مخصصة للغلاية فقط وبسبب تركيب المعدات أعلى الغلاية ولوحة التحكم ، ستتم إضافة مضخة التغذية وأنابيب التحكم بجوار المرجل والموقد جنبًا إلى جنب مع المرجل إلى الأبعاد المتوفرة.
- عند الاستفسار عن سعر الغلاية ونوع الوقود المستخدم وعلامة الحارق إذا رغبت.
- عند شراء الموقد المطلوب للغلاية لا بد من اختيار الموقد حسب نوع الوقود الخاص بالمشروع ومراعاة سعة أعلى بحوالي 20٪.

ملامح المرجل البخار HararatGostar موديل HS26
- تحمل ضغط العمل العالي ولا حاجة لغلق الغلاية
- القدرة على الإنتاج بمعدل أعلى
- أكثر ملاءمة لنقل الحرارة وكفاءة عالية للحرارة في المراجل القياسية ذات 3 تمريرات ، خاصة في المراجل ذات الأكياس الرطبة

ضمان المرجل البخار HararatGostar موديل HS26
تقدم شركة Harart Gostar للتصنيع والصناعة جميع مراجل الماء الساخن والمراجل الفولاذية مع ضمان لمدة عامين و 10 سنوات من خدمات الدعم الفني. في الموقع المرجعي ومتجر Damatajhiz ، تم توفير المعلومات الفنية والسعر الأنسب للرادياتير مع الضمان الأساسي لك أعزائي للاستمتاع بإحساس جيد بالشراء الأمثل والذكي.